Gasgrill HP, bänkmodell.
800mm.
14.0 kW
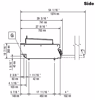
Mått, LxDxH 800x700x250 mm
Enheten ska monteras på underrede, bryggmontage eller konsolsystem.
Brännare i rostfritt stål med släckskyddsmekanism, optimerad förbränning och skyddad indikatorlampa.
AISI 441 deflektionsskydd i rostfritt stål undertill förhindrar att brännarna sätts igen och att lågan flammar upp samt ger jämn värmefördelning (PATENTSÖKT FUNKTION).
Elementen kan diskas i maskin och tas bort utan verktyg, vilket gör rengöringen enkel.
Höga stänkskydd i rostfritt stål på tillagningsytans baksida och sidor. Stänkskydden kan enkelt tas bort för rengöring och kan diskas i diskmaskin.
IPX4-intyg för vattentålighet.
Utvändiga paneler i rostfritt stål med Scotch Brite-behandling.
1,5 mm tjockt pressat rostfritt stål
Rät vinkel mellan enheterna för att undvika utrymmen där smuts kan tränga in
 
                    
  
                 
                    
  
                 
                    
  
                 
                    
  
                 
                    
  
                 
                     
                     
                     
                     
                     
                     
                     
                     
                    